ISO 8739 De forme standard Dimensions pour
Fournisseurs de goupilles cannelées sur toute la longueur, à cannelures parallèles, avec guide
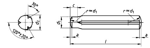
Cette norme (DIN EN ISO 8739) spécifie les caractéristiques des goupilles cannelées sur toute la longueur, en acier ou en acier inoxydable austénitique, avec guide, comportant trois rainures régulièrement espacées, gravées longitudinalement sur leur surface extérieure, ainsi qu'un guide pour faciliter l'insertion, de diamètre nominal d compris entre 1,5 mm et 25 mm inclus.
Dessins cotés et schémas techniques