Skip
Fasten.it
E-procurement
Surplus
Search
Norms
Suppliers
Business for sale
Events
News
Newsletters
Login
Free Trial
en
Home
Product norms
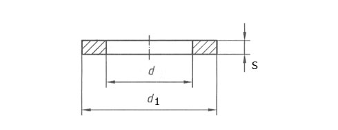
NF EN ISO 7092
Send your request for quotation
Standard NF EN ISO 7092
Stock/Supplier search
Send your request for quotation
Plain washers normal series, for round head screws...
Information restricted to the registered users:
Login
|
Register now for a 14-day free trial