Skip
Fasten.it
E-procurement
Surplus
Search
Norms
Suppliers
Business for sale
Events
News
Newsletters
Login
Free Trial
en
Home
Product norms
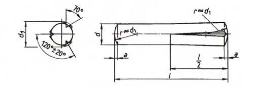
BS EN ISO 8745
Send your request for quotation
Standard BS EN ISO 8745
Stock/Supplier search
Send your request for quotation
Suppliers of Grooved pins, half length taper groov...
Information restricted to the registered users:
Login
|
Register now for a 14-day free trial